| Characteristics of PGP series gear pump: | ![]() |
| -Continuous working pressure up to 280 bar with high-strength materials and large shaft diameter size, reducing bearing load and adapting to high-pressure working conditions. | |
| -Under various working conditions, the floating shaft sleeve structure with pressure balance can achieve ideal efficiency with high efficiency. | |
| -The low-noise PGP 502 has a 9-tooth gear, PGP 505 and 517 have a 13 tooth gear, and PGP 511 has a 12 tooth gear. The flow distribution structure has been optimized to reduce pressure pulsation and ensure smooth and quiet operation. | |
| -The flexibility of application is achieved through the installation and connection dimensions of international standards, the ability to integrate various valve components, and the shared imported multi pump configuration, providing excellent flexibility in system design and application. |
| -Can integrate and install multiple types of control valves |
PGP series gear pump product introduction:

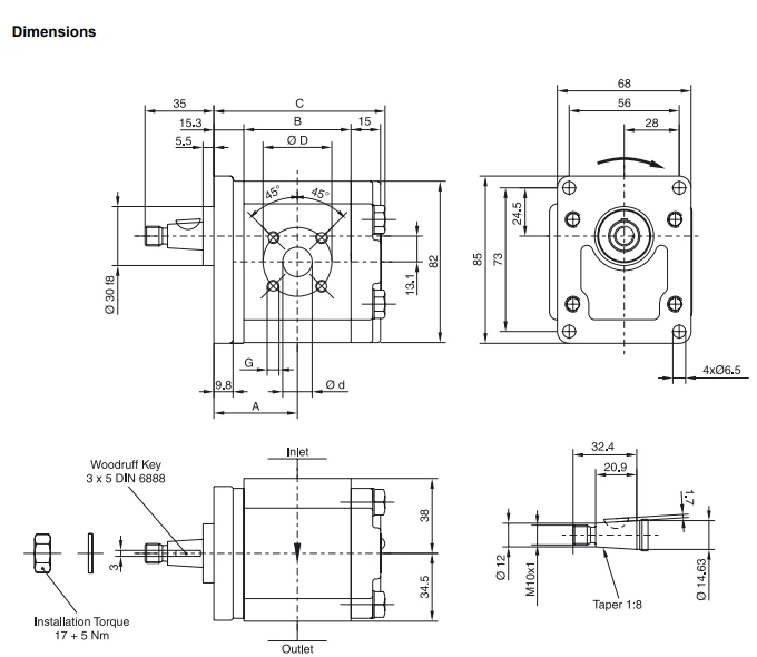
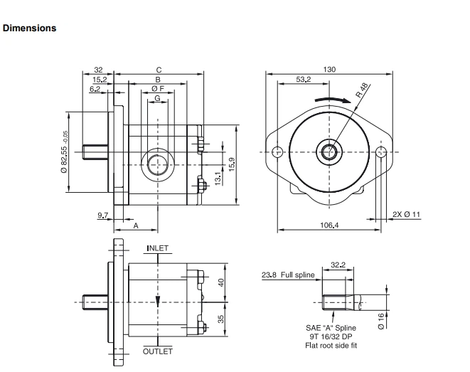
PGP series gear pump product specifications:



About Us:
Ningbo Lainuo Hydraulic Technology Co., Ltd. specializes in hydraulic pumps, hydraulic motors, and hydraulic valves. It is an advanced domestic manufacturing enterprise that integrates the design, research and development, production, sales, and maintenance of hydraulic systems, with 10 years of professional hydraulic experience. Our hydraulic products are mainly used in heavy-duty engineering machinery series such as construction machinery, marine machinery, mining machinery, oilfield machinery, soil stackers, rollers, loaders, forklifts, cranes, mixer trucks, concrete pump trucks, etc. We have sales personnel with highly skilled professionals and industry experience, sales managers with good communication skills and cross-border procurement experience, providing customers with professional hydraulic maintenance and testing technology services. We have a long warranty period and after-sales service, and integrity is always our commitment. If you are interested in purchasing, please feel free to consult and negotiate. We look forward to your cooperation!
Gear pump features:
The working principle of gear pump is a type of positive displacement pump, which relies on the meshing of two gears to convert the rotational motion of the motor into the reciprocating motion of the pump. When the gears rotate, the teeth of one wheel enter a meshing state, carrying the liquid from the suction side to the discharge side, while the teeth of the other wheel exit the meshing state, carrying the liquid from the discharge side to the suction side. By continuously repeating the meshing action, the continuous transportation of liquid is achieved.
Structural characteristics The structural design is reasonable, with the characteristics of simple and compact structure, small volume, light weight, and good processability. Its sturdy and durable gears and bearings make the pump have a long service life and reduce maintenance costs. The pump body is equipped with a safety valve. When the discharge pressure exceeds the specified pressure, the safety valve automatically opens to allow the high-pressure liquid to return to the suction pipe, providing overload protection.
The performance characteristics of Rexroth REXROTH gear pump adopt advanced manufacturing processes and technologies, making it highly efficient and energy-efficient. It can maintain good performance and efficiency when transporting media of various viscosities. In addition, the gear adopts a double arc sine curve tooth profile arc. Compared with involute gears, the tooth profile does not have relative sliding, so the tooth surface has no wear, balanced operation, no trapped liquid phenomenon, low noise, and long service life.
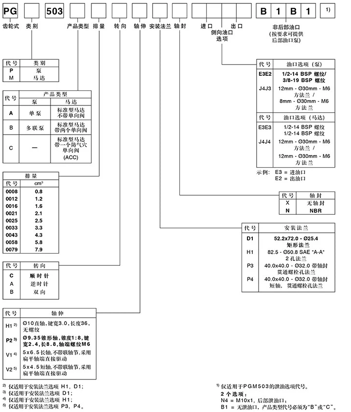
PGP series gear pump product model list:
219345 PGP50340008CH1D1X-E3E2-B1B1
219346 PGP503A0012CH1D1X-E3E2-B1B1
219347 PGP503A0016CH1D1X-E3E2-B1B1
219348 PGP503A0021CH1D1X-E3E2-B1B1
219349 PGP50340025CH1D1X-E3E2-B1B1
219350 PGP503A0033CH1D1X-E3E2-B1B1
219351 PGP50340036CH1D1X-E3E2-B1B1P
219352 PGP503A0043CH1D1X-E3E2-B1B1
219353 PGP50340048CH1D1X-E3E2-B1B1
219354 PGP503A0058CH1D1X-E3E2-B1B1
219355 PGP503A0062CH1D1X-E3E2-B1B1
219356 PGP50340079CH1D1X-E3E2-B1B1
PGP503 A XXXXY P2 D1 N E3 E2 B1 B1
PGP505 A XXXXY A1 H2 N E5 E3 B1 B1
PGP505 A XXXXY Q2 D2 N J7 J5 B1 B1
PGP505 A XXXXY A1 H2 N SS PP B1 B1
PGP517 A XXXXY D1 H3 N L3 L2 B1 B1
PGP517 A XXXXYT1 D7 N L3 L2 B1 B1
PGM511 B XXXX B S2 D3 N SS PP B1 B1 G3









